Ontdek de Jøtul F 163 – een houtkachel die Scandinavisch vakmanschap en modern design combineert. Dit model, met zijn drie elegante poten en extra grote zijruiten, geeft u vanuit meerdere hoeken een prachtig zicht op het vuur. Zo wordt warmte niet alleen functioneel, maar ook een echte belevenis in uw woonkamer.
De F 163 is ontworpen om efficiënt en schoon te verbranden, waardoor u meer warmte haalt uit minder hout. Met zijn hoge rendement en lage emissies is dit model zowel duurzaam als kostenbewust. Bovendien is de bediening eenvoudig, zodat u in een handomdraai kunt genieten van een knisperend haardvuur.
Dankzij de stevige constructie en tijdloze vormgeving is de Jøtul F 163 een kachel waar u jarenlang plezier van zult hebben – betrouwbaar, stijlvol en uitnodigend.
Waarom kiezen voor de Jøtul F 163?
Modern Scandinavisch design met drie poten
Extra grote ruiten voor panoramisch zicht op het vuur
Efficiënt, duurzaam en milieuvriendelijk
Compact formaat, groots in warmte en sfeer
De Jøtul F 163 maakt van elke avond een warme en gezellige ervaring – een kachel die gezien én gevoeld mag worden.
![]()
Extra informatie
| Merk | Jøtul |
|---|---|
| Type kachel | Vrijstaand |
| Kleur | Zwart |
| Vuurzicht | Driezijdig |
| Vermogen | 5 kW |
| Aansluitbaar op CV | Nee |
| Brandstof | Hout |
| Externe luchttoevoer | Ja |
| Gewicht | |
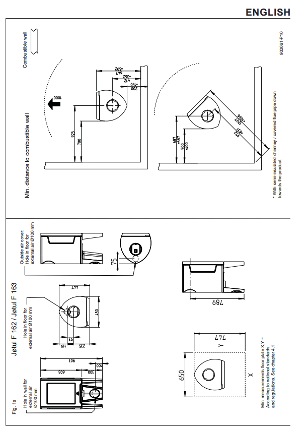
| Rookgasafvoer | 150Ø |
Het belangrijkste aspect bij het kiezen van de juiste houtkachel is het benodigde vermogen (kW). Om het vermogen te berekenen gebruikt u de m³ inhoud als basis. Wanneer het kW vermogen van een houtkachel niet past bij de ruimte, krijgt u te veel of te weinig warmte. Wanneer de ruimte te klein is, zal u opmerken dat er te weinig zuurstof in de ruimte aanwezig is. Dit geeft een onaangenaam gevoel. Daarnaast werkt de houtkachel maar op halve kracht wat slecht is voor het verbrandingsproces, het milieu en uw portemonnee. U heeft dan een houtkachel met een te hoog vermogen. Als het vermogen te laag is t.o.v. de ruimte die u wil verwarmen, dan zal vanzelfsprekend de temperatuur te laag zijn.
| Volume ruimte | Goed geïsoleerd huis | Redelijk geïsoleerd huis | Geen isolatie |
| 40 m³ | 4 kW | 5 kW | 6 kW |
| 60 m³ | 4,5 kW | 5,5 kW | 7 kW |
| 80 m³ | 5,5 kW | 6,5 kW | 8 kW |
| 120 m³ | 7 kW | 8 kW | 10 kW |
| 140 m³ | 7,5 kW | 8,5 kW | 11 kW |
| 160 m³ | 8 kW | 9,5 kW | nvt |
| 180 m³ | 8,5 kW | 10 kW |
Wanneer de houtkachel als bijverwarming wordt gebruikt is de helft van het vermogen voldoende.
Voor persoonlijk advies kunt u kijken onder: contact en openingstijden op onze website
Bekijk voor meer informatie specificaties en downloads
Productomschrijving
Ontdek de Jøtul F 163 – een houtkachel die Scandinavisch vakmanschap en modern design combineert. Dit model, met zijn drie elegante poten en extra grote zijruiten, geeft u vanuit meerdere hoeken een prachtig zicht op het vuur. Zo wordt warmte niet alleen functioneel, maar ook een echte belevenis in uw woonkamer.
De F 163 is ontworpen om efficiënt en schoon te verbranden, waardoor u meer warmte haalt uit minder hout. Met zijn hoge rendement en lage emissies is dit model zowel duurzaam als kostenbewust. Bovendien is de bediening eenvoudig, zodat u in een handomdraai kunt genieten van een knisperend haardvuur.
Dankzij de stevige constructie en tijdloze vormgeving is de Jøtul F 163 een kachel waar u jarenlang plezier van zult hebben – betrouwbaar, stijlvol en uitnodigend.
Waarom kiezen voor de Jøtul F 163?
Modern Scandinavisch design met drie poten
Extra grote ruiten voor panoramisch zicht op het vuur
Efficiënt, duurzaam en milieuvriendelijk
Compact formaat, groots in warmte en sfeer
De Jøtul F 163 maakt van elke avond een warme en gezellige ervaring – een kachel die gezien én gevoeld mag worden.
![]()
Specificaties
Extra informatie
| Merk | Jøtul |
|---|---|
| Type kachel | Vrijstaand |
| Kleur | Zwart |
| Vuurzicht | Driezijdig |
| Vermogen | 5 kW |
| Aansluitbaar op CV | Nee |
| Brandstof | Hout |
| Externe luchttoevoer | Ja |
| Gewicht | |
| Rookgasafvoer | 150Ø |
Downloads
Bezoek onze showroom in IJsselmuiden
Sinds 2009 is onze showroom in IJsselmuiden een begrip in de regio. Met trots ontvangen we al jaren klanten uit IJsselmuiden en omgeving, en velen van hen zijn u al voorgegaan. Bekijk gerust onze Projecten pagina om een indruk te krijgen van het werk dat we met zorg en vakmanschap hebben afgeleverd.
Bij ons bent u altijd welkom in een informele en laagdrempelige omgeving, waar persoonlijke aandacht centraal staat. Dankzij onze directe lijntjes kunnen wij snel schakelen en krijgt u altijd het advies dat bij u past. Bezoek onze showroom voor deskundig advies en laat u inspireren door de mogelijkheden.
Bent u op zoek naar een specifieke kachel? Dan raden we u aan om vooraf even te bellen. Zo kunnen we direct aangeven of de kachel in onze showroom aanwezig is en of deze ook brandend te zien is. Op die manier voorkomt u onnodige teleurstellingen en kunt u gericht langskomen.
Ook voor de installatie, service en het onderhoud staat ons eigen team van monteurs voor u klaar. Zo bent u verzekerd van een complete en zorgeloze ervaring, van begin tot eind. Kom gerust langs in onze showroom en ontdek wat wij voor u kunnen betekenen!







